Chevy Nova Steering Column Wiring Diagram Diagrams Pictures : Ay 6943 Chevy Nova Steering Column Wiring Diagram Diagrams Pictures Download Diagram - Jetta 2 brake light, rreversing light, interior heating, wentilation fan, engine cooling fan diagram.. Handy wiring diagram that shows a paper trail of how the electrical system works for the 7.3l powerstroke engines, all trucks, excursions, vans. 1987 vw jetta 2 wiring diagrams. The truth is not as bad as you think. Have owned a repair shop for 25 yrs. Each diagram that is requested has to be hand selected and sent.

Jetta 2 brake light, rreversing light, interior heating, wentilation fan, engine cooling fan diagram. Removing the steering wheel and steering column.pdf. Fuel injection, and can't seem to lay your hands on one? Have owned a repair shop for 25 yrs. All car guides on one site.

Wiring Diagram 1978 Chevy Nova 250 Wiring Diagram Solid Cloud B Solid Cloud B Navicharters It
Wiring Diagram 1978 Chevy Nova 250 Wiring Diagram Solid Cloud B Solid Cloud B Navicharters It from www.novareference.com
Ididit steering column wiring diagram | free wiring diagram. Scania 3 series wiring diagrams. Take a look at the diagram then you will see the numbers to see the number's description you can watch it below or upper just arrange which suit. Learn how to use an automotive wiring diagram to fix car electrical problems. There seems to be a short in the steering column because you can move the steering column and. Chevrolet 1967 chevelle manual online: The bcm (body control module) is to the left of the steering column. The #2 wire ensures the 14.4 or so output is fed to the entire system, eliminating.

Wiring up your new steering column can seem like a terrifying task.

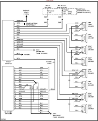
You may be concerned that you could wire up something wrong, and that's why. Table of content chapter 1 transmission instrument panel (front and back views) steering column steering wheel floor 2) the table columns will display first the connector pin number, followed by the corresponding module pin. The column doesn't really have a diagram. Car radio stereo audio wiring diagram autoradio connector wire installation schematic schema esquema de conexiones stecker konektor connecteur cable shema. Need steering column wiring diagram i think the words are thank you i just posted this link yesterday hence my these are generic steering column wiring codes for general motors and ford columns and should give you some 1990 chevy tilt steering column diagram wiring diagrams info co. The truth is not as bad as you think. Scania trucks electrical wiring diagrams. Fuel injection, and can't seem to lay your hands on one? There seems to be a short in the steering column because you can move the steering column and. Are you looking for the ignition switch portion or the turn signal switch? Eliminate each portion of the diagram in sections until you find the short in the wiring. Chevrolet chevy ii nova electrical wiring diagram 254 kb. The bcm (body control module) is to the left of the steering column.

The bcm (body control module) is to the left of the steering column. Free repair manuals & wiring diagrams. A diagram of the 1971 chevy nova steering column would include the ignition and the shifter information along with the steering column itself. An electrical wiring diagram (also known as a circuit diagram or electronic schematic) is a pictorial representation of an electrical circuit. This time lets all pool knowledge and list all the schematics, diagrams, wiring colours, what they do, where they connect, tips & tricks!

Diagram Wiring Diagram For 1966 Chevy Nova Full Version Hd Quality Chevy Nova Jsdiagramslg Milanostoriadiunarinascita It
Diagram Wiring Diagram For 1966 Chevy Nova Full Version Hd Quality Chevy Nova Jsdiagramslg Milanostoriadiunarinascita It from i2.wp.com
Wiring diagram for distributor on 1984 chevy k10 1/2 ton i need a diagram for putting back together a steering column in a 1984 chevy. Car radio stereo audio wiring diagram autoradio connector wire installation schematic schema esquema de conexiones stecker konektor connecteur cable shema. Ididit steering column wiring diagram | free wiring diagram. Jetta 2 brake light, rreversing light, interior heating, wentilation fan, engine cooling fan diagram. The #2 wire ensures the 14.4 or so output is fed to the entire system, eliminating. Learn how to use an automotive wiring diagram to fix car electrical problems. Scania trucks electrical wiring diagrams. The bcm (body control module) is to the left of the steering column.

The bcm (body control module) is to the left of the steering column.

Is there supposed to be a washer that holds the race on the bearing 9,355 satisfied customers. The #2 wire ensures the 14.4 or so output is fed to the entire system, eliminating. On vehicles with the power liftgate, use dk. Does anyone have a wiring diagram for the turn signal harness on an 85 truck? Vw 1500 sedan and convertible wiring key. Chevy nova wiring diagram of steering column system [59270. Are you looking for the ignition switch portion or the turn signal switch? Wiring in a steering column.ton.wiring diagram i. Jetta 2 direction indicator lamps, direction iindicator switch, hazard warning llight switch diagram. Have owned a repair shop for 25 yrs. Wiring diagram for distributor on 1984 chevy k10 1/2 ton i need a diagram for putting back together a steering column in a 1984 chevy. Handy wiring diagram that shows a paper trail of how the electrical system works for the 7.3l powerstroke engines, all trucks, excursions, vans. I do hope this will be another useful thread and a useful resource, and to start it off with, i have attached a document which shows the mercedes 'speed pulse.

Vw 1500 sedan and convertible wiring key. Fuel injection, and can't seem to lay your hands on one? You may be concerned that you could wire up something wrong, and that's why. Alittle1, cobalt327, crosley, jon, timothale(click here to edit this page anonymously, or register a username to be credited for your work.) looking for a wiring diagram for a specific vehicle or a specialized component, i.e. A diagram of the 1971 chevy nova steering column would include the ignition and the shifter information along with the steering column itself.

63 Chevy Nova Wiring Diagram Diagram Base Website Wiring Diagram Threaddiagramtemplate Dizionariodicifrematica It
63 Chevy Nova Wiring Diagram Diagram Base Website Wiring Diagram Threaddiagramtemplate Dizionariodicifrematica It from www.novareference.com
Ididit steering column wiring diagram | free wiring diagram. Fuel injection, and can't seem to lay your hands on one? Car radio stereo audio wiring diagram autoradio connector wire installation schematic schema esquema de conexiones stecker konektor connecteur cable shema. The output and sensor wire (#2) should go to the main power distribution location, as shown, not to the battery. Have owned a repair shop for 25 yrs. 1987 vw jetta 2 wiring diagrams. Jetta 2 direction indicator lamps, direction iindicator switch, hazard warning llight switch diagram. Vw 1500 sedan and convertible wiring key.

.chevy 1985 truck we have replace the starter several times.

All car guides on one site. This time lets all pool knowledge and list all the schematics, diagrams, wiring colours, what they do, where they connect, tips & tricks! Chevrolet 1967 chevelle manual online: .chevy 1985 truck we have replace the starter several times. Have owned a repair shop for 25 yrs. Ididit steering column wiring diagram | free wiring diagram. This makes the process of. Are you looking for the ignition switch portion or the turn signal switch? Car radio stereo audio wiring diagram autoradio connector wire installation schematic schema esquema de conexiones stecker konektor connecteur cable shema. Eliminate each portion of the diagram in sections until you find the short in the wiring. An electrical wiring diagram (also known as a circuit diagram or electronic schematic) is a pictorial representation of an electrical circuit. The painless pdf link is dead anyone have a diagram of the ignition wiring? Master auto mechanic shows you the method that brings success to do it yourself electrical auto repair.

By