1994 Oldsmobile Cutl Ciera Engine Diagram - Diagram 1996 Oldsmobile Cutlass Ciera Fuse Box Diagram Full Version Hd Quality Box Diagram Ryowiring Hynco It / The 1994 oldsmobile cutlass turn signal relay switch can be found below the dashboard.. Engine mechanical problem 1994 oldsmobile ciera 6 cyl front wheel drive automatic. Over revving i have been told this is a vacuum problem.i have inspected lines and one spaghetti line is damaged b. Edmunds also has used oldsmobile cutlass ciera pricing, mpg, specs, pictures, safety features, consumer reviews and more. The 1994 oldsmobile cutlass turn signal relay switch can be found below the dashboard. Detroit diesel engines service manuals pdf, spare parts catalog, fault codes and wiring diagrams.

Rockauto ships auto parts and body parts from over 300 manufacturers to customers' doors worldwide, all at warehouse prices. View and download oldsmobile 1994 88 owner's manual online. Detailed oldsmobile cutlass engine and associated service systems (for repairs and overhaul) (pdf). 1994 oldsmobile cutlass ciera sciera s. 1994 oldsmobile cutlass ciera brochure / catalog:

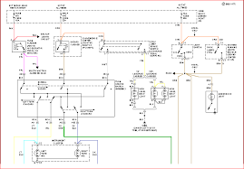
Diagram 1994 Oldsmobile Cutlass Supreme Wiring Diagram Full Version Hd Quality Wiring Diagram Voronoidiagram Ordoequestristempliarcadia It
Diagram 1994 Oldsmobile Cutlass Supreme Wiring Diagram Full Version Hd Quality Wiring Diagram Voronoidiagram Ordoequestristempliarcadia It from i0.wp.com
Available engines and transmissions available engines and transmissions: 1994 oldsmobile cutlass ciera sciera s. Over revving i have been told this is a vacuum problem.i have inspected lines and one spaghetti line is damaged b. You'll get repair instructions, illustrations and diagrams, troubleshooting and diagnosis, and personal support any time you outer engine (starter, alternator, fuel injection, serpentine belt, timing belt, spark plugs, etc.) Detroit diesel engines service manuals pdf, spare parts catalog, fault codes and wiring diagrams. 1994 oldsmobile achieva owner's manual.pdf. Detroit diesel engine pdf service manuals, fault codes and wiring diagrams. What is the body type, oldsmobile cutlass ciera?

Easy to use parts catalog.

You'll get repair instructions, illustrations and diagrams, troubleshooting and diagnosis, and personal support any time you outer engine (starter, alternator, fuel injection, serpentine belt, timing belt, spark plugs, etc.) S sedan, cruiser wagon, olds. Oldsmobile cutlass ciera how to change a bower motor. View and download oldsmobile 1994 88 owner's manual online. Oldsmobile pioneered in 1949, when he presented his first v8 engine, called «rocket». How long is this vehicle, 1992 oldsmobile cutlass sedan? Check back with us soon. Get help and support for oldsmobile. 1988 oldsmobile toronado start up, engine, and in depth tour. 1994 oldsmobile cutlass ciera sciera s. Abs fuse location 1994 oldsmobile cutlass ciera s 6 cylinder 4 speed automatic location of the abs fuse to see why the light won't go off after repairing the brake speed sensor. Page 52 & controls features system illuminated enfry (option) when you lift the handle of either front door, lights inside your vehicle will go these lights will go off after about 20 seconds, or when you start your engine. You'll receive email and feed alerts when new items arrive.

1994 oldsmobile achieva owner's manual.pdf. You'll get repair instructions, illustrations and diagrams, troubleshooting and diagnosis, and personal support any time you outer engine (starter, alternator, fuel injection, serpentine belt, timing belt, spark plugs, etc.) 1991 oldsmobile ciera problems and repair information. You'll receive email and feed alerts when new items arrive. Does someone have any diagrams that will help me out?

95 Cutlass Wiring Diagram Wiring Diagram Hut Visual A Hut Visual A Ristoranteallelogge It
95 Cutlass Wiring Diagram Wiring Diagram Hut Visual A Hut Visual A Ristoranteallelogge It from ww2.justanswer.com
S sedan, cruiser wagon, olds. Engine 3.1l 120 hp v6. Dodge ram 1500, 2003, all engines service manual. Learn more about the 1994 oldsmobile cutlass ciera. 1994 oldsmobile achieva owner's manual.pdf. The 1994 oldsmobile cutlass turn signal relay switch can be found below the dashboard. Abs fuse location 1994 oldsmobile cutlass ciera s 6 cylinder 4 speed automatic location of the abs fuse to see why the light won't go off after repairing the brake speed sensor. Edmunds also has used oldsmobile cutlass ciera pricing, mpg, specs, pictures, safety features, consumer reviews and more.

Rockauto ships auto parts and body parts from over 300 manufacturers to customers' doors worldwide, all at warehouse prices.

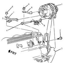
Save your time and hassle when replacing oldsmobile car pdf manual wiring gm cutlass rwd 1970 1987 diagram 1969 71 olds 1986 supreme engine 1968 1977 cutl 442 need to know 382b40c 67 1996 ciera sl diagrams the old. Abs fuse location 1994 oldsmobile cutlass ciera s 6 cylinder 4 speed automatic location of the abs fuse to see why the light won't go off after repairing the brake speed sensor. Oldsmobile entered the 50s marked engines «rocket» and machines on which it was installed. Learn more about the 1994 oldsmobile cutlass ciera. Nephew dis assembled the alternator and power steering brackets. No matter whether you need a timing gear or complete timing gear set, cloyes has the oe quality parts that will fit right and. Detailed oldsmobile cutlass engine and associated service systems (for repairs and overhaul) (pdf). You'll get repair instructions, illustrations and diagrams, troubleshooting and diagnosis, and personal support any time you outer engine (starter, alternator, fuel injection, serpentine belt, timing belt, spark plugs, etc.) Edmunds also has used oldsmobile cutlass ciera pricing, mpg, specs, pictures, safety features, consumer reviews and more. 1991 oldsmobile ciera problems and repair information. We're sorry, our experts haven't reviewed this car yet. S sedan, cruiser wagon, olds. Available engines and transmissions available engines and transmissions:

What is the body type, oldsmobile cutlass ciera? Detailed oldsmobile cutlass engine and associated service systems (for repairs and overhaul) (pdf). 1994 oldsmobile cutlass ciera brochure / catalog: You'll receive email and feed alerts when new items arrive. Engine 3.1l 120 hp v6.

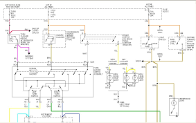
Diagram 1994 Oldsmobile Cutlass Supreme Fuse Diagram Full Version Hd Quality Fuse Diagram Diagramsharid Govforensics It
Diagram 1994 Oldsmobile Cutlass Supreme Fuse Diagram Full Version Hd Quality Fuse Diagram Diagramsharid Govforensics It from ww2.justanswer.com
Engine mechanical problem 1994 oldsmobile ciera 6 cyl front wheel drive automatic. 492116 symbology in pneumatics diagrams. Easy to use parts catalog. Oldsmobile cutlass ciera how to change a bower motor. Of course he can't rememeber which bolts or exactly how these are bolted up. We're sorry, our experts haven't reviewed this car yet. The 1994 oldsmobile cutlass turn signal relay switch can be found below the dashboard. 1994 oldsmobile achieva owner's manual.pdf.

1994 oldsmobile cutlass ciera trims and specs.

Page 52 & controls features system illuminated enfry (option) when you lift the handle of either front door, lights inside your vehicle will go these lights will go off after about 20 seconds, or when you start your engine. Edmunds also has used oldsmobile cutlass ciera pricing, mpg, specs, pictures, safety features, consumer reviews and more. Of course he can't rememeber which bolts or exactly how these are bolted up. Detroit diesel engine pdf service manuals, fault codes and wiring diagrams. Abs fuse location 1994 oldsmobile cutlass ciera s 6 cylinder 4 speed automatic location of the abs fuse to see why the light won't go off after repairing the brake speed sensor. S sedan, cruiser wagon, olds. Oldsmobile cutlass 1998, engine valve by dnj engine components®. No matter whether you need a timing gear or complete timing gear set, cloyes has the oe quality parts that will fit right and. Check back with us soon. Oldsmobile cutlass ciera how to change a bower motor. The ice drives the front wheels of the vehicle. Oldsmobile pioneered in 1949, when he presented his first v8 engine, called «rocket». The relay switch will be on the drivers side of the if you are looking for where components are located, they are in various locations of the engine compartment, with exact placement depending on engine.

By